Please note: SKY12247-492LF is being discontinued and is not recommended for new designs.
The suggested replacement
is
SKY12245-492LF
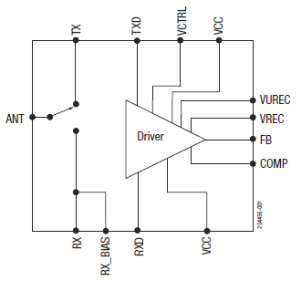
The SKY12247-492LF is a compact, integrated high-power
single-pole, double-throw (SPDT) switch with driver circuit for
TD-LTE applications. The part operates with a single +5 V supply
and switches with a single control voltage (0 to 3 V).
This device features low TX and RX insertion loss, high isolation
with low DC power consumption and requires minimal external
components, enabling a smaller PCB footprint.
The device is provided in a 5 x 5 mm, 20-pin Quad Flat No-Lead
(QFN) package.