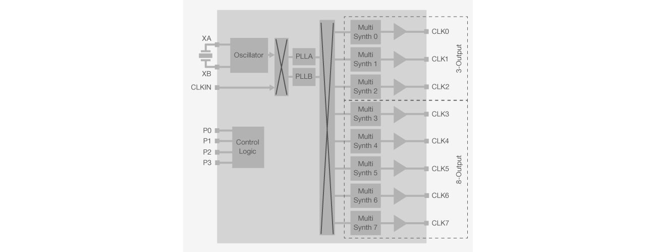
Our CMOS Clock Generators and I2C-programmable clock generators can be customized to generate multiple frequencies. Providing highly flexible factory and I2C-programmable LVCMOS clock generators, the devices feature equivalent frequency synthesis capability of up to 8 PLLs, with exact frequency synthesis (0 ppm error), significantly lower jitter, lower power, and a smaller size than competing solutions.
Factory customization options are available to minimize EMI, including configurable edge rates, output impedance, output skew and spread spectrum. CMOS Clock Generators are perfect for consumer audio/video and embedded applications, consolidating all system clock requirements into a single device.