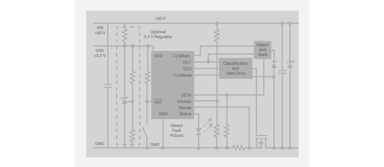
Quickly and easily add up to 90 W to an Ethernet port using IEEE 802.3bt compliant single port PSEs. Tailored to the needs of a single port system, these PSE devices do not require a host MCU and are easy to configure, use very little board space and include a status LED driver. They are optimized for mid-spans and PoE injectors. Simple EVBs jump-start designs with easy to understand schematics, two-layer PCBs and IEEE compliance test reports