Legacy Network Synchronizer Clocks
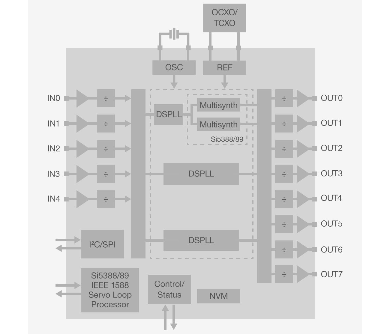
Our network synchronizer clocks lead the industry in jitter performance while offering low power consumption and are ideally suited for SyncE/SONET/SDH timing card and pizza box applications, as well as 5G wireless communication systems and data center switches. With up to three integrated DSPLL® devices and small package sizes, these devices reduce complexity and PCB footprint requirements for timing synchronization.
Read more