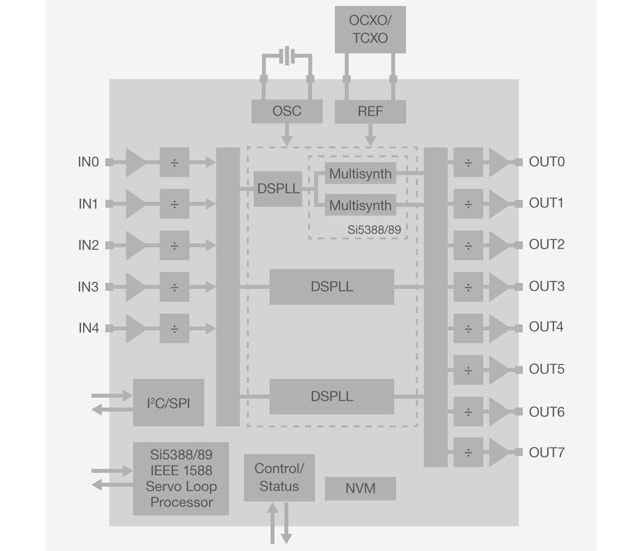
NetSync™ network synchronizer clocks utilize fifth-generation DSPLL® and MultiSynth™ technologies to provide all the features required to support Synchronous Ethernet (SyncE)-compliant wander filtering and high-precision software adjustment of output frequency and phase for IEEE 1588 Precision Time Protocol (PTP) applications. These devices offer ultra-low jitter, ultra-low phase noise output clocks, eliminating the need for a follow-on jitter attenuator device. With up to four DSPLLs and flexible MultiSynth™ placement this unique architecture can reduce complexity and size while achieving low power consumption. This combination of features makes them ideally suited for use in today’s complex network equipment.
The NetSync™ clock devices can be combined with Skyworks’ AccuTime™ software to provide a complete synchronization system, including a fully standards-compliant IEEE 1588 Precision Time Protocol (PTP) solution operating in full timing support (FTS), partial timing support (PTS), assisted partial timing support (APTS), and PTP-unaware networks. Alternatively, NetSync™ clock devices can be used with existing, or third-party, IEEE 1588 software.
The Si5518, Si5512, SKY69001 and SKY69002 combine the functions of an IEEE 1588/SyncE network synchronizer with an ultra-low phase noise CPRI/eCPRI JESD204B/C wireless jitter attenuating clock in a single device. These devices are ideal for applications requiring IEEE 1588/SyncE and low phase noise data converter clocking such as 5G radio units, remote radio heads, small cells and gNodeB units.
The Si5401, Si5402, Si5403 and SKY69101 clock devices generate ultra-low jitter Ethernet-based signals for applications requiring IEEE 1588/SyncE such as 5G BBUs, core metro routers/switches and O-RAN distributed unit (DU), front-haul switches (FSH), centralized unit (CU) and Smart NICs.
Additionally, the SKY69001, SKY69002 and SKY69101 utilize Skyworks leading-edge Bulk Acoustic Wave (BAW) resonator technology to give the absolute best possible performance demanded by cutting-edge applications such as terabit-per-second data links and high-performance cellular radios.