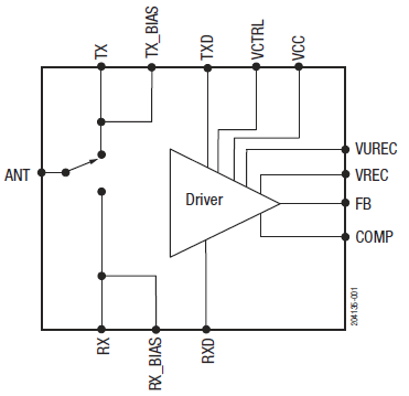
The SKY12245-492LF is a compact, integrated high-power single-pole, double-throw (SPDT) PIN diode switch with driver circuit for TDD-LTE and similar applications. The part operates with a single +5 V supply and switches with a single control voltage (0 to 3 V). It can be tuned to specific RF bands within the range of 0.3 to 5.0 GHz by modifying select external SMT components. This device features low TX and RX insertion loss, high isolation with low DC power consumption and requires minimal external components, enabling a smaller PCB footprint. The device is provided in a 5 x 5 mm, 20-pin Quad Flat No-Lead (QFN) package.
July 22, 2019
Skyworks Expands 5G Infrastructure Portfolio: SKYFR-001760, SKYFR-001803, SKY12245-492LF and SKY12247-492LF