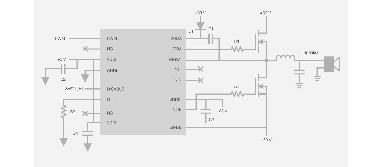
The Si8241/44 Audio Gate Drivers facilitate high fidelity class D amplification with many advantages over competing gate drivers. These drivers offer the benefits of precise dead time adjustment for the best balance of low total harmonic distortion (THD) and high system efficiency. The individually isolated drivers facilitate simpler system topologies, external component flexibility, and high functional integration for small installed size and competitive cost.
In general, Class D amplifier implementation can be difficult due to input level shifting requirements. Most available Class D drivers lack the capability to eliminate level shifting and those drivers that do, have other unwanted peculiarities. In contrast, the Si824x internal isolation provides the level shift function internally and transparent to the user. Only a single TTL PWM input signal is required to drive a two-state class D amplifier. The combined benefits of low THD, high operating efficiency, integrated level shifting, and a simplified system architecture makes the Si824x the best Class D Audio driver available.