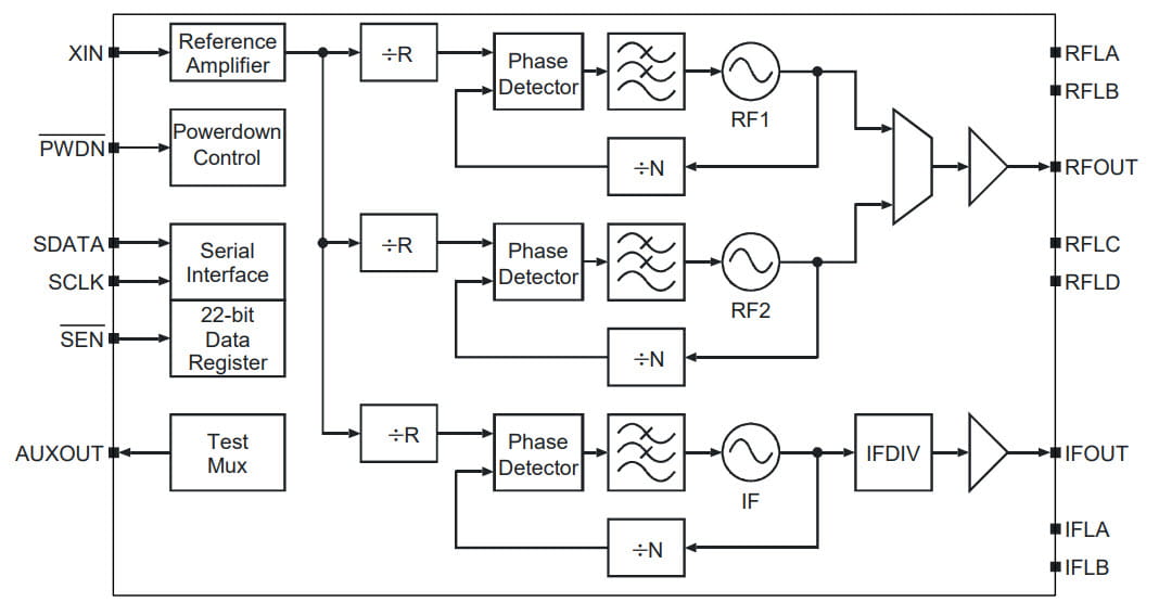
Si413x RF synthesizers perform IF and dual-band, low-noise RF frequency synthesis for wireless personal communications applications. Si413x ICs address the price-sensitive, low-power, high-performance requirements for personal wireless communications by substantially reducing external passive component count, eliminating external VCOs and varactor diodes, improving power efficiency and isolating, in silicon, unwanted external interference. Stable, low-phase noise characteristics are achieved through a proprietary self-tuning architecture that does not require external adjustments or laser trimming for component-tolerance matching.