Temperature Range Min (°C)-40
Package TypeQFN48
OPNSKY53512-A-GM / SKY53512-A-GMR
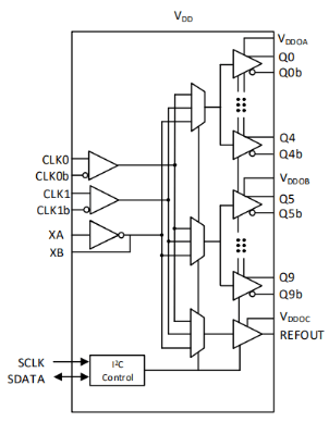
Universal Buffersfalse
Number of Inputs3
Number of Outputs10
Frequency Max800
Frequency Min (MHz)0
Package Size (mm)7x7
Description10-output ulta low additive jitter HCSL clock buffer, I2C Control
VDDO (V)1.8 V; 2.5 V; 3.3 V
Ouput Format(s)HCSL
Additive Jitter (ps RMS)0.037
VDD (V)1.8 V; 2.5 V; 3.3 V
PCIe Complianttrue
Output Format CategoriesHCSL
Single Ended Inputtrue
Temperature Range Max (°C)95
Zero Delay Buffersfalse
LVCMOS Buffersfalse
Differential Bufferstrue