Loop Bandwidth Max (MHz)—
Output Bin<
Temperature Range Min (°C)-40
Input Frequency Min (MHz)3
Package TypeTDFN6
ControlPin
Line Impedance Match0
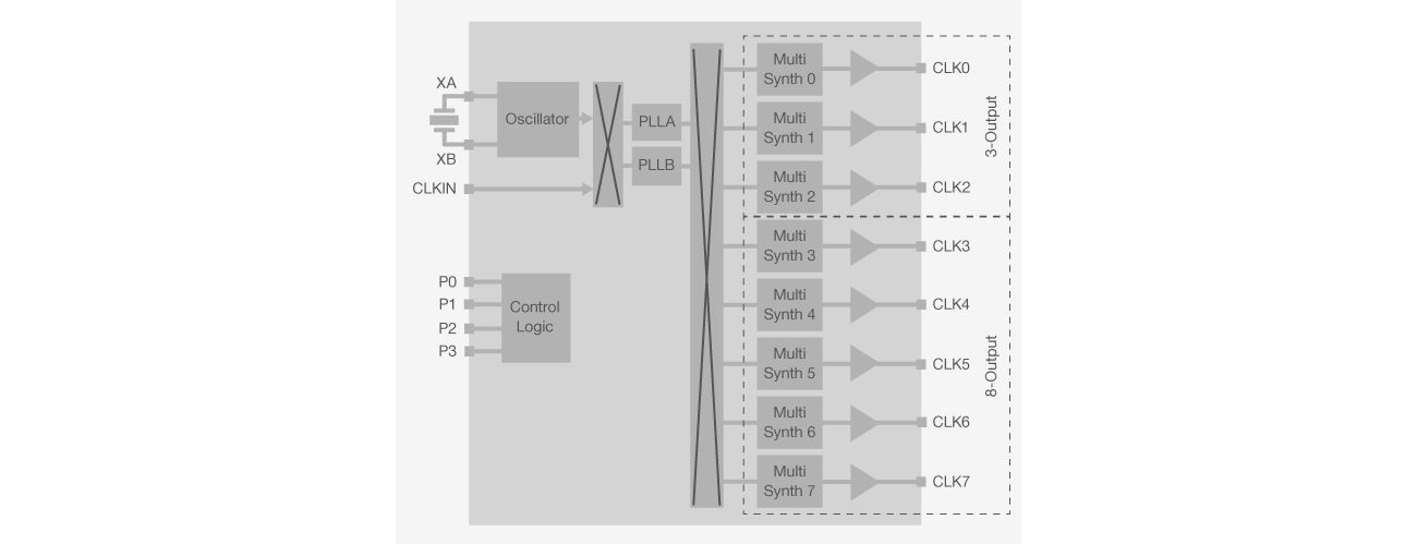
Clock Generatorstrue
Jitter Attenuating Clocksfalse
Number of Outputs2
Input Frequency Max (MHz)165
Intel x86 Clocksfalse
Package Size (mm)1.2x1.4
Real Time Clockfalse
DescriptionProgrammable Clock Generator
Frequency ReferenceXTAL and CLKIN
4G/LTE Wireless Clocksfalse
56G SerDesfalse
VDDO (V)—
Ouput Format(s)LVCMOS
VDD (V)2.5 - 3.3
PCI Expressfalse
Spread Spectrumfalse
Synchronous Ethernet/1588false
DSPLLs0
Reference Inputs1
Xtal Input Frequency8 MHz - 48 MHz
Output Format CategoriesSingle-Ended
Standards Compliance—
Output Frequency Min3
Embedded Xtalfalse
Loop Bandwidth Min (MHz)—
Temperature Range Max (°C)85
Output Frequency Max170