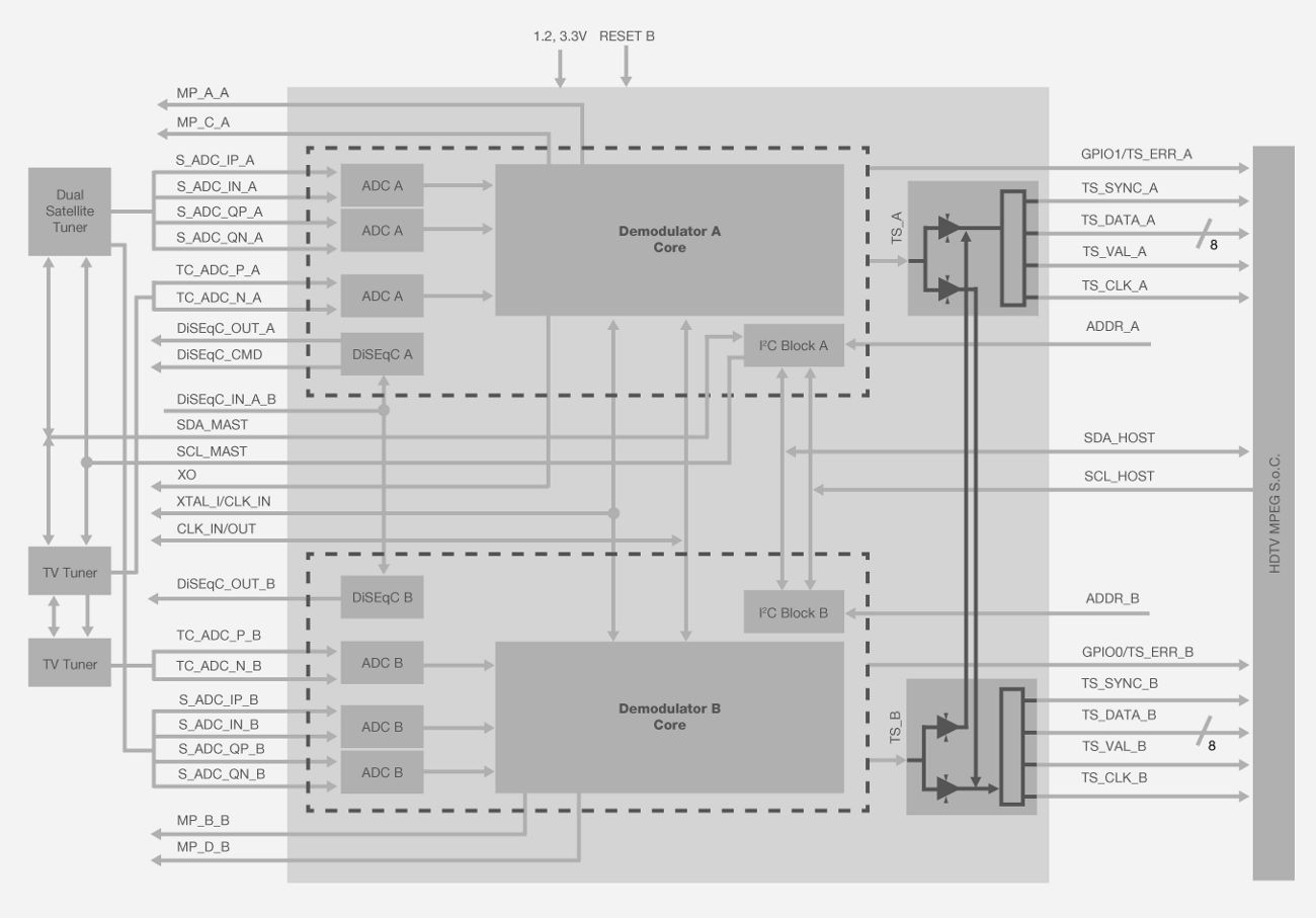
Each of the Si218x2 dual demodulators integrates two separate high-performance single demodulators in a compact 8x8 mm QFN package. Si21832/822/812/802 devices support ISDB-T and DVB-T2/C2/S2X/S2/T/C/S, DVB-T2/S2X/S2/T/C/S, DVB-S2X/S2/T/C/S and DVB-T/C, respectively. Leveraging our proven digital demodulation architecture, each embedded demodulator achieves excellent reception performance for each media while significantly minimizing front-end design complexity and cost. Connecting Si218x2 devices to both a dual terrestrial/cable TV tuner and a dual satellite tuner results in a high-performance and cost optimized dual-channel TV or STB front-end solution.
Si218x2 demodulators accept a standard IF (36 MHz) or low-IF input for terrestrial and cable standards and offer an on-chip blind scanning algorithm for DVB-S2X/S2/S and DVB-C standards (as well as blind lock). Si218x2 devices embed two independent programmable transport stream interfaces to provide a flexible range of output modes, including a TS cross-bar functionality, and are fully compatible with all MPEG decoders or conditional access modules to support any application.