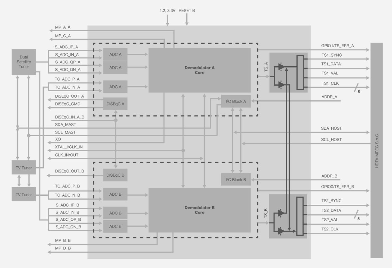
Si21672/662-D dual demodulators integrate two separate high-performance single demodulators in a compact 8x8 mm QFN package. Si21672/662-D devices support DVB-S2X/S2/T/C/S and DVB-S2X/S2/S, respectively. Leveraging our proven digital demodulation architecture, each embedded demodulator achieves excellent reception performance for each media while significantly minimizing front-end design complexity and cost. Connecting Si21672/662-D to a dual terrestrial/cable TV tuner and a dual satellite tuner results in a high-performance and cost optimized dual-channel TV or STB front-end solution.