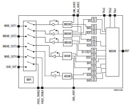
The SKYA25001 is a mid-to-low-band (MLB)/mid-band (MB)/
high-band (HB)/ultra-high-band (UHB) diversity receive module to
be used in a cellular mobile device. It supports cellular diversity
receiver and cellular transmitter functions.
The diversity module supports all key downlink 2 and 3 carrier
aggregation band combinations as well as uplink signals
transmitted through the diversity antenna path.
High-performance LNAs with five variable-gain modes are
integrated in this device to enable compatibility for
next-generation LNA-less LTE transceivers.
The SKYA25001 is compatible with 3GPP GSM, WCDMA, LTE and
LTE-A standards and includes filters for the following service
bands: B32, B21/11, B3, B39, B25(2), B34, B66(1/4), B40, B30,
B41, and B7 for the cellular part.