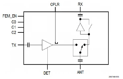
The SKY85795-11 is a highly integrated front-end
module (FEM) incorporating a transmit/receive (T/R)
switch, a high-gain low-noise amplifier (LNA) with
bypass, and a power amplifier (PA) intended for highpower
Wi-Fi 7 applications and systems.
The device is provided in a compact, 24-pin package.