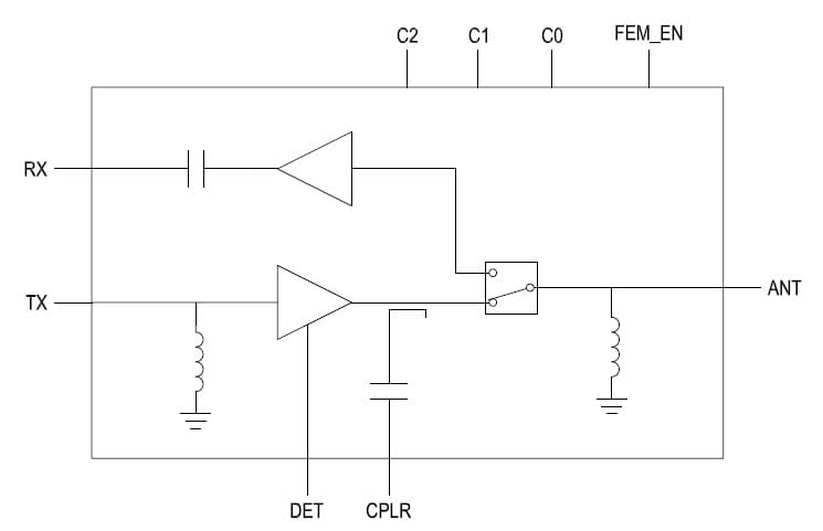
The SKY85794-11 is a highly integrated, 5 GHz
front-end module (FEM) incorporating a
transmit/receive (T/R) switch, a high-performance,
low-noise amplifier (LNA) with bypass mode, and a
non-linear PA intended for Wi-Fi 7 and Wi-Fi 8
(802.11be/bn) applications and systems.
The LNA and PA disable functions ensure low leakage
current in Off mode. An integrated logarithmic power
detector is included to provide closed-loop power
control within the system.
The device is provided in a compact 24-pin 3 x 5 mm
package.