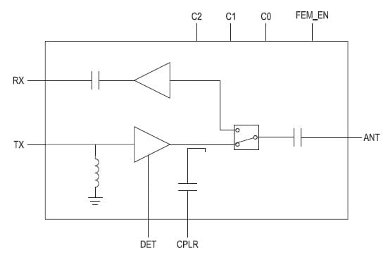
The SKY85637-11 is a highly integrated, front-end module (FEM) incorporating a T/R switch, a high-gain LNA with high-gain, low-gain, and bypass mode, and a PA intended for Wi-Fi 7 (802.11be) applications and systems.