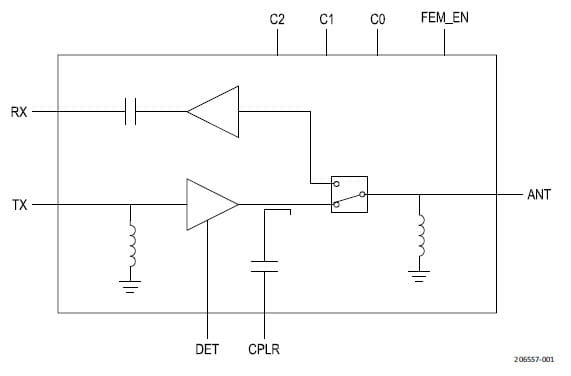
The SKY85630-11 is a highly integrated, front-end module (FEM) incorporating a transmit/receive (T/R) switch, a low-noise amplifier (LNA) with high-gain, low-gain, and bypass modes, and a power amplifier (PA) for Wi-Fi 7 and Wi-Fi 8 (802.11be/bn) applications and systems.
The device is provided in a compact, 24-pin package.