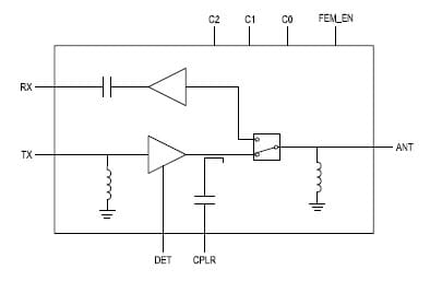
The SKY85629-11 is a highly integrated front-end
module (FEM) incorporating a transmit/receive
(T/R) switch, a low-noise amplifier (LNA) with highgain,
low-gain, and bypass mode, and a power
amplifier (PA) intended for Wi-Fi 7 (802.11be)
applications and systems.
The LNA and PA disable functions ensure low leakage
current in off mode. An integrated logarithmic power
detector is included to provide closed-loop power
control within the system.