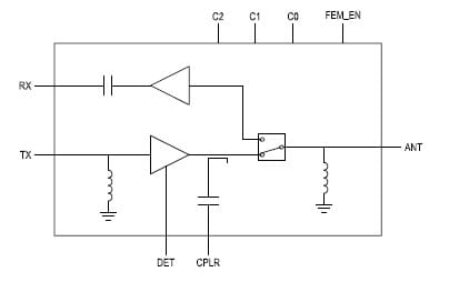
The SKY85502-11 is a highly-integrated 5 GHz frontend module (FEM) incorporating a transmit/receive
(T/R) switch, a high-performance low-noise amplifier
(LNA) with high-gain, low-gain and bypass mode, and a
non-linear PA intended for Wi-Fi 7 and Wi-Fi 8
(802.11be/bn) applications and systems.
An integrated logarithmic power detector is
included to provide closed-loop power control
within the system.