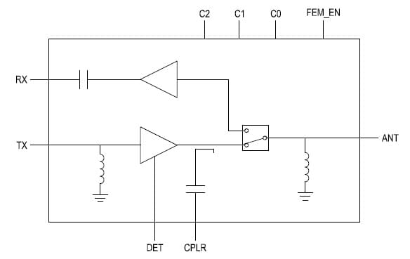
The SKY85365-11 is a highly integrated, 2.4 GHz front-end module (FEM) incorporating a transmit/receive (T/R) switch, a high-performance, low-noise amplifier (LNA) with bypass mode, and a non-linear PA intended for Wi-Fi 7 and Wi-Fi 8 applications and systems.
The LNA and PA disable functions ensure low leakage current in Off mode. An integrated logarithmic power detector is included to provide closed-loop power control within the system.