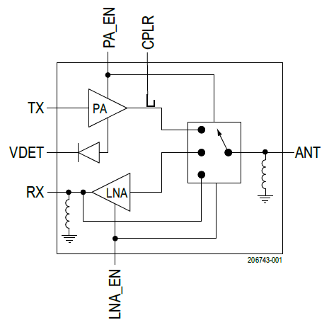
The SKY85358-11 is a highly efficient, highly integrated, 2.4
GHz front-end module (FEM) incorporating a 2.4 GHz singlepole,
double-throw (SPDT) transmit/receive (T/R) switch, a
2.4 GHz low-noise amplifier (LNA) with bypass, and a 2.4
GHz power amplifier (PA) with integrated digital pre-distortion
(DPD) coupler intended for Wi-Fi 7 (802.11be) applications
and systems.
The LNA and PA disable functions ensure low leakage current
in off mode. An integrated logarithmic power detector
is included to provide closed-loop power control within
the system.
The device is provided in a compact LGA package.