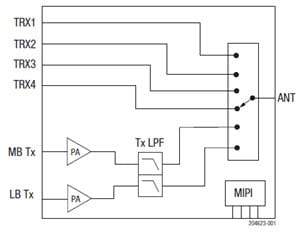
The SKY68018-11 is a hybrid, multi-band multi-chip RF front-end
(RFFE) module supporting cellular NB-IoT (half-duplex system)
transceiver platforms. The module integrates the entire RF front
end necessary for an LTE multi-band radio operating in low-band
B5/B8/B12/B13/B17/B18/B19/B20/B26/B28 and
mid-band B1/B2/B3/B4/B25/B39/B66 frequencies, including
broadband PA with bias controller, Tx low-pass harmonic filter,
antenna switch, and MIPI RFFE controller.
Tx Section
The PA load-line is optimized for high efficiency while
simultaneously meeting 3GPP ACLR and emissions mask
specifications for NB-IoT. An integrated LPF is implemented to
reject the PA and transceiver harmonics while at the same time
minimizing any post PA loss for an optimized transmit current
consumption. Out-of-band emissions performance is emphasized
by the design to be 3GPP-compliant for low-band B5/B8/B12/
B13/ B17/ B18/B19/B20/B26/B28 and mid-band B1/B2/B3/B4/
B25/B39/B66.
TRX Path
The four TRX ports are additional broadband ports that can be
used symetrically for either the Tx or Rx operation. The AUX ports
can support conventional GSM power levels.
Smart Biasing
For most IoT applications, the DC-DC converter might not be
available to control the VCC supply of the PA. With a fixed DC
supply, Smart Biasing allows for easy power control through the
MIPI interface by programming reduced bias current for lower
gain states. Based on the application, a set of 4 to 6 different bias
conditions with specific fixed-gain steps are predefined. For each
of the steps, the transceiver output power can be adjusted to
meet the desired total output power.
The key advantages of the smart biasing scheme are:
- Saving current consumption during lower output power
operation
- Easy programming of fixed-gain steps through the MIPI
interface
- Reducing the required output dynamic range of the transceiver
MIPI RFFE Controller Interface
The SKY68018-11 functional operation is fully controllable by a
single MIPI interface that is used to drive the PA in various
optimized bias modes as well as providing band selection and
controlling the antenna switch Tx, Rx, and band selection.