Please note: SKY68001-41 is being discontinued and is not recommended for new designs.
The suggested replacement
is
SKY68001-31A
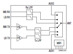
The SKY68001-41 is a hybrid, multi-band multi-chip RF front-end
(RFFE) module supporting cellular LTE M/NB-IoT
(half-duplex system) transceiver platforms. The module integrates
the entire RF front end necessary for an LTE multi-band radio
operating in low-band (B5, B8, B12, B13, B17, B18, B19, B20,
B26, and B28) and mid-band (B1, B2, B3, B4, B25, B39, and B66)
frequencies, including Rx low-pass filters, broadband PA with bias
controller, Tx low-pass harmonic filter, antenna switch, and MIPI
RFFE controller.
Tx Section
The PA load-line is optimized for high efficiency while
simultaneously meeting 3GPP ACLR and emissions mask
specifications with LTE up to 6 RB. An integrated LPF is
implemented to reject the PA and transceiver harmonics while at
the same time minimizing any post PA loss for an optimized
transmit current consumption. Out-of-band emissions
performance is emphasized by the design to be 3GPP-compliant
for low-band (B5, B8, B12, B13, B17, B18, B19, B20, B26, and
B28) and mid-band (B1, B2, B3, B4, B25, B39, and B66).
Rx Section
Receive low-pass filters are integrated into the module along with
the necessary matching to yield a 50 Ω single-ended impedance
for the antenna and Rx ports. The filters provide a high level of
rejection to out-of-band interferers, protecting the transceiver
from high blocking signal levels and to support 3GPP LTE blocking
test conformance. The Rx low-pass filters are cascaded with the
low throw count switch to establish a lower insertion loss and
noise figure than conventional LTE receivers.
Auxiliary Path
The two AUX ports are additional broadband ports that can be
used symmetrically for either Tx or Rx operation. The AUX ports
can support conventional GSM power levels.
Smart Biasing
For most IoT applications, the DC-DC converter might not be
available to control the VCC supply of the PA. With a fixed DC
supply, Smart Biasing allows for easy power control through the
MIPI interface by programming reduced bias current for lower
gain states. Based on the application, a set of 4 to 6 different bias
conditions with specific fixed-gain steps are predefined. For each
of the steps, the transceiver output power can be adjusted to
meet the desired total output power.
The key advantages of the smart biasing scheme are:
- Saving current consumption during lower output power operation
- Easy programming of fixed-gain steps through the MIPI interface
- Reducing the required output dynamic range of the transceiver.
MIPI RFFE Controller Interface
The SKY68001-41 functional operation is fully controllable by a
single MIPI interface that is used to drive the PA in various
optimized bias modes as well as providing band selection and
controlling the antenna switch Tx, Rx, and band selection.