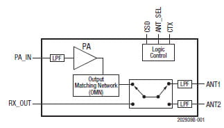
The SKY66105-11 is a high performance, highly integrated RF
Front-End Module (FEM) designed for high power Industrial,
Scientific, and Medical (ISM) applications operating in the
902 MHz to 931 MHz frequency band.
The SKY66105-11 is designed for ease of use and maximum
flexibility, with fully matched 50 Ω inputs and outputs, and digital
controls compatible with 1.8 V to 3.6 V CMOS levels.
The RF blocks operate over a wide supply voltage range from
2.0 V to 4.8 V, which allows the SKY66105-11 to be used in
battery powered applications over a wide spectrum of the battery
discharge curve.
The SKY66105-11 is packaged in a 12-pin, 8 x 6 mm Multi-Chip
Module (MCM) with exposed ground paddle and surrounding
shielding.