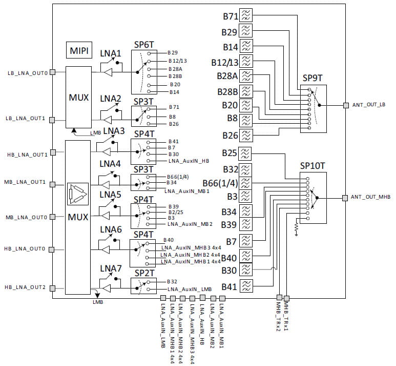
The SKY5A5003 is a low-band (LB)/low-mid-band
(LMB)/mid-band (MB)/high-band (HB) diversity
receive module for automotive, telematics, and NAD.
The device supports cellular diversity receiver
functions and is scalable to support 4x4 MIMO
regional and roaming band requirements. The
diversity module supports all key 2, 3, and 4 CA band
combinations. The SKY5A5003 is part of our Sky5®
product portfolio.
High-performance, multi-gain mode LNAs are
integrated enabling compatibility to next generation
LNA-less LTE transceivers. The device is compatible
with 3GPP GSM, WCDMA, LTE, LTE-A and 5G standards
and includes filters for the following service bands:
B71, B29, B12/13/17, B14, B28A, B28B, B20, B8, B26/5/
18/19, B32, B3, B39, B25(2), B34, B66(1/4), B30, B40,
B41(38), and B7.