The SKY58813-11 is an MHB LNA plus Power Amplifier
Module with integrated Duplexer (LPAMiD) designed for
4G and 5G mobile devices, supporting operation across
mid- and high-band frequencies. The SKY58813-11 is part
of our Sky5® product portfolio.
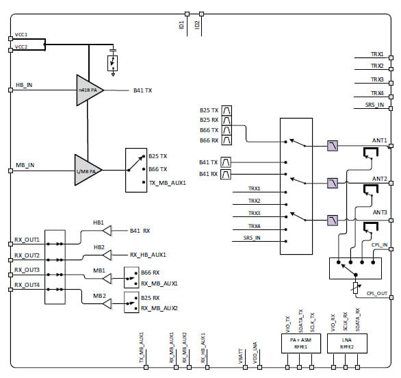
The SKY58813-11 integrates power amplifier (PA) blocks
for 4G/5G, a controller with MIPI RFFE interface, RF band
switches, MB/HB antenna switches, bi-directional
couplers, and filters for Bands 25, 66, and 41.
The module delivers PC1.5 power at 5.5 VCC, offering
high performance in a compact form factor. This enables
external TX EN-DC for various mid- and high-band
combinations and provides primary MHB support for
associated applications.
RF I/O ports are matched to 50 Ω, and low leakage
current extends standby time. The IC die and passive
components are mounted on a multilayer laminate
substrate for robust integration.
The module supports 5G NR and LTE, accommodating
wider bandwidth and CA for high data rates. Combined
filtering, RF matching, and TRX switching enhance
downlink CA performance.
MHB and HB antenna ports support multiple antenna
profiles, while PA blocks enable uplink operation with
wide bandwidth 5G NR (>100 MHz for n41).