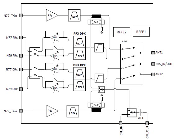
The SKY58286-11A front-end module (FEM) for LTE
and NR is part of our Sky5® product portfolio. Key
advances compared to previous generation dual band
UHB modules are integrated MIMO RX path, diplexers,
wider bandwidth, two CA n77/n79 DL, and increased
output power.
Higher power enables PC2 support for n78 and n79.
This versatile and fully matched FEM supports
multiband 4G/5G and LTE/NR applications.
Packaged in a single 3.8 mm x 3.8 mm x 0.79 mm
(max.) form factor, the 51-pad surface mount (SMT)
module consists of PA blocks, input and output
matching, a MIPI standard digital control block, singleended
filters, antenna and band select switches,
diplexers, and a low noise amplifier (LNA).
Utilizing an enhanced architecture, the SKY58286-11A
covers multiple bands and meets the spectral linearity
requirements of CP-OFDM and DFTS-OFDM
modulations with up to 100 MHz bandwidth and up to
273 resource block allocations.
Output power is controlled by varying input power and
adjusting VCC to maximize efficiency.
Extremely low leakage current maximizes handset
stand-by time.