The RFX2411N is a fully integrated, single-chip, single-die RF
front-end integrated circuit (RFeIC®) that incorporates all the RF
functionality needed for wireless Zigbee technology
applications/and smart energy applications. The RFX2411N
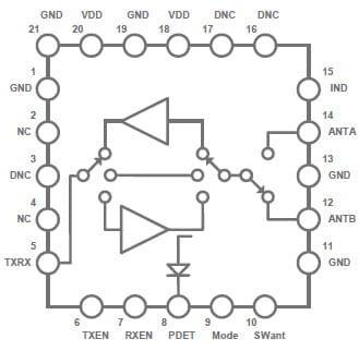
architecture integrates TX/RX and diversity switching circuitry
with PA, LNA, and the associated matching networks with
harmonic reduction in a CMOS single-chip device. The device
also includes a bypass mode to provide maximum flexibility for
system implementations.
The RFX2411N is designed for the 2.4 GHz ISM band and
supports various signal applications in the ISM band, enhanced
data rates and low energy applications such as Bluetooth®,
802.15.4, Zigbee technology applications, ANT, and Thread.
The RFX2411N is the perfect solution for applications requiring
extended range and bandwidth, such as home and industrial
automation, smart energy/smart metering, and RF4CE.
RFX2411N interfaces seamlessly with low-voltage CMOS
control logic, requires minimal external components, and
provides an integrated PA power detector circuit. The superior
performance, high sensitivity, high efficiency, low noise, small
form factor, low power consumption and low cost make the
RFX2411N an ideal and application-friendly solution.