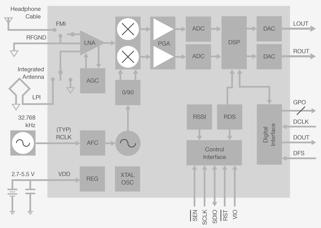
Si4706 enhanced FM RDS/TMC radio receivers provide full receive functionality from antenna to RDS/RBDS data for use as a dedicated data receiver. The 100% CMOS receiver is an ideal RDS/RBDS data receiver for Traffic Message Channel (TMC) and Open Data Applications (ODA) applications frequently used in conjunction with GPS functionality. Si4706 devices offer a fully-integrated decoder for the European RDS and the North American RBDS and include demodulation, symbol decoding, advanced error correction, detailed visibility to block-error rates, (BLER) and decoder reliability, synchronization status and times.