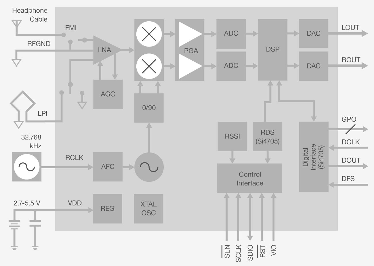
Si4704/05 enhanced receivers are the most advanced portable solutions available today, offering digital audio out, worldwide FM band support and highly flexible and proven FM functionality in a simple API.
Si4705 devices offer digital audio for FM recording, and the content can be tagged with RDS information, allowing song name and artist labels to be displayed, similar to MP3 meta data. Using the digital audio out, Si4705 can reduce total system power consumption by avoiding unnecessary ADC/DAC conversions between the FM receiver and the host processor.